走進集團

ABOUT GROUP

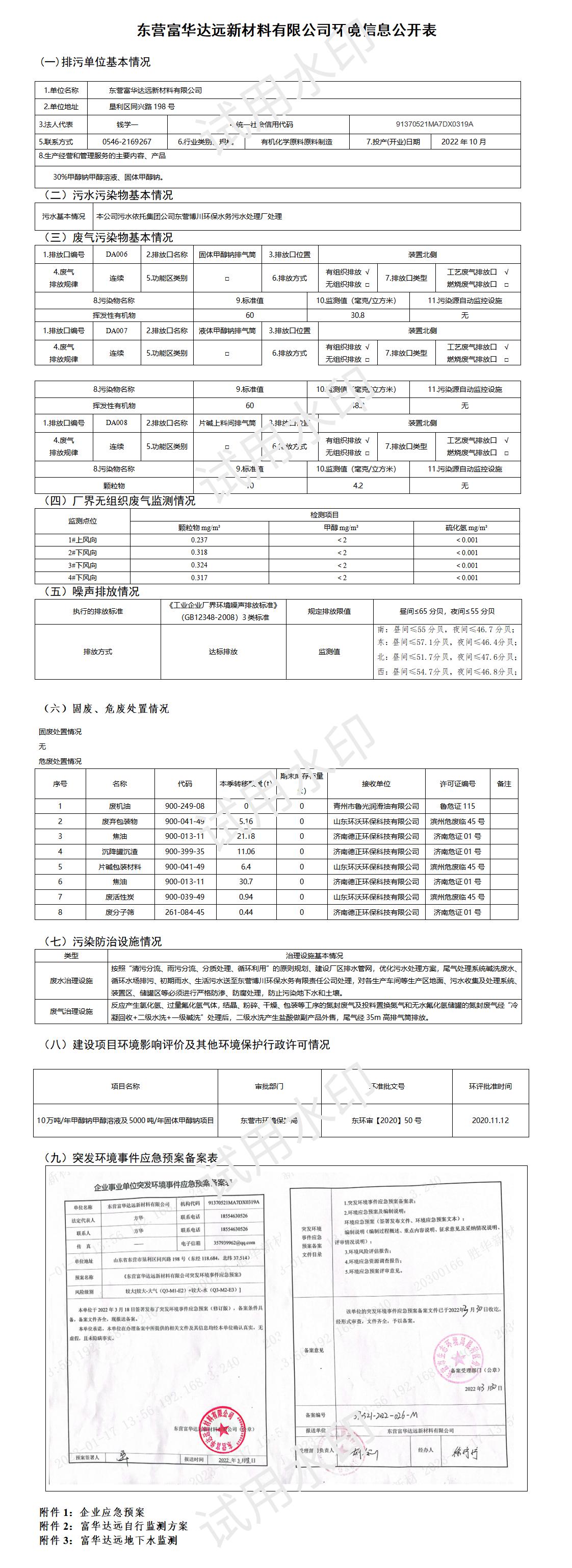
東營富華達(dá)遠新(xīn)材料有限公(gōng)司環境信息公開表(2023年第二(èr)季度)

時間:2023-07-13 16:30:34 關注度:Loading...
分類:信(xìn)息公開

上一篇:勝華新能源科(kē)技(jì)(東營(yíng))有限公司環境信息公開表(2023年第三季度)
下一篇:東(dōng)營sg99.xy丝瓜视频(huá)新能源有限公司環境信息公開表(2023年第二季度)

聯係我們

sg99.xy丝瓜视频(huá)新材料集團股份有限公司

辦(bàn)公室電話:+86 546 2169028

郵箱:shidashenghua@lzydfm.com
山東省東(dōng)營市墾利區同興路198號


jtgzhx.jpg

集團公眾號    投訴(sù)舉報(bào)

Copyright ◎ 2020 石大(dà)勝華新材料(liào)集團股份有限公司
版權所有 魯ICP備17017352號-1
魯公網安備 37052102000204號(hào)
sg99.xy丝瓜视频-sg99.xy丝瓜视频官方版-秋葵草莓丝瓜黄瓜榴莲大全污污免费版下载