走進集(jí)團

ABOUT GROUP

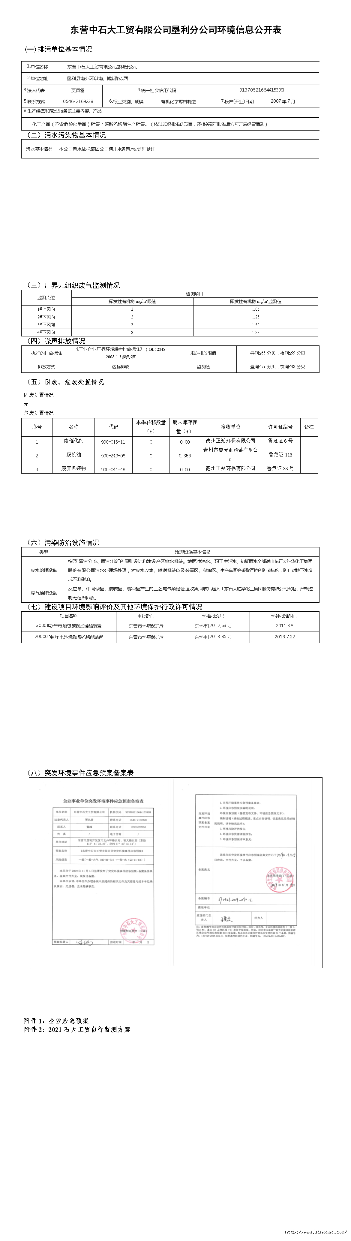
東營中石大工貿(mào)有限公司墾利分公司環境(jìng)信息公開表

時間(jiān):2021-07-16 11:16:00 關注度:Loading...
分(fèn)類:信息(xī)公開

上一篇:東營中(zhōng)石大工貿(mào)有(yǒu)限公司墾(kěn)利分公司環境信息公開表
下一篇:東(dōng)營sg99.xy丝瓜视频新能源有限公司環境信(xìn)息公開表

聯係我們

sg99.xy丝瓜视频新材料集(jí)團股份有限公司

辦公(gōng)室電話:+86 546 2169028

郵箱:shidashenghua@lzydfm.com
山東省東營市墾利區同興路198號


jtgzhx.jpg

集團公眾(zhòng)號    投訴舉報

Copyright ◎ 2020 sg99.xy丝瓜视频新材料集團股份有限公司
版權所(suǒ)有 魯ICP備17017352號-1
魯公網安備 37052102000204號(hào)
sg99.xy丝瓜视频-sg99.xy丝瓜视频官方版-秋葵草莓丝瓜黄瓜榴莲大全污污免费版下载