走進集團

ABOUT GROUP

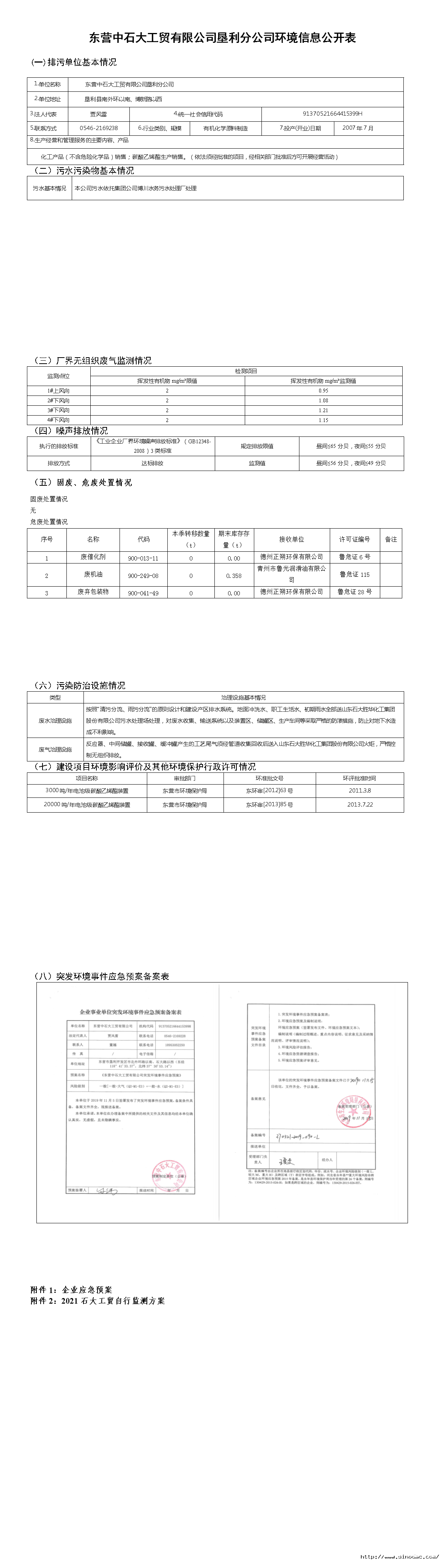
東營中石大工貿有(yǒu)限公司墾利分公司環境信息公開表

時間:2021-10-28 11:18:00 關注度:Loading...
分類:信(xìn)息公開

上一篇(piān):東營sg99.xy丝瓜视频新材料有限公司環境信息(xī)公(gōng)開表
下一篇:東營中石大工貿有限公司(sī)墾利分公司環境信息公開表

聯係(xì)我們

sg99.xy丝瓜视频新材料集團股份有限公司(sī)

辦公(gōng)室電(diàn)話:+86 546 2169028

郵箱:shidashenghua@lzydfm.com
山東省東營市墾利區同興路198號


jtgzhx.jpg

集團公眾號    投訴舉報

Copyright ◎ 2020 sg99.xy丝瓜视频新材(cái)料集團股份有限公司
版權所有 魯ICP備17017352號-1
魯公網安備 37052102000204號
sg99.xy丝瓜视频-sg99.xy丝瓜视频官方版-秋葵草莓丝瓜黄瓜榴莲大全污污免费版下载